L型焊接变位机可使工件上平行回转主轴的焊缝变位到船形焊位置,其他焊缝变位到平焊位置,适用于复杂和特殊形状构件的焊接,并可配合自动化焊接。
承载能力从100Kg-10吨
分三种机型:固定式,升降式,C型
适用于所有需要升降或旋转的生产过程。应用领域几乎是无限的。
应用效益
简单,快捷,方便
便于移动,产品灵活。
自动锁定系统
超薄,节省空间
非常方便
处理迅速(运输)
只需要一个人调节和控制
工作安全,代替了起重机和叉车的风险操作
降低生产成本
可根据客户要求进行特殊调整
提高员工的工效
结构
设计精良,模块化焊接结构。所有部件均寿命长,稳定,均可在无干扰的车间进行日常工作。为了达到此要求,我们所使用的部件均是从专业供应商购买。
系统优势
在商业或铁路运输的升降技术领域应用了40多年,该自动锁定系统和电机SCHROEDER®主轴系统同样应用于我们的系统。它不需阻塞或刹车机器,停止或降低阀门、铁链和棘轮。原波纹管保护完整的主轴系统,具有防潮防水防尘防污功能。SCHROEDER®快速检查系统使操作者能够在几秒钟时间内实现现状测试。
可选择
单或双设计
230伏的插座
手动操作(有线或无线)
专业公司的焊接设备(焊接电流反馈,耐焊波纹管)
编程控制/定位旋转/升降(可编程)
PLC(西门子) 可与现场生产连接。
配件
旋转轴上的长度调节底盘
接收框
适配器
充电用的车厢
剪刀式升降机
撑架 |
|
|
|
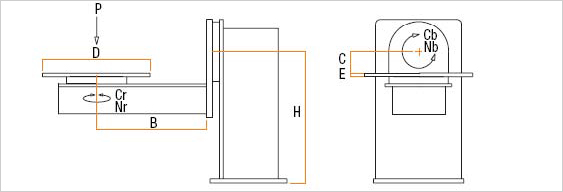
| 技术参数: |
PL
|
P
t
|
Cb
daN*m
|
Nb
min-1
|
Cr
daN*m
|
Nr
min-1
|
D
mm
|
E
mm
|
B
mm
|
C
mm
|
H
mm
|
PL-A5
|
0.10
|
-
|
-
|
5
|
6.50
|
310
|
20
|
235
|
-
|
360
|
PL-B5
|
0.65
|
180
|
1.20
|
70
|
3.00
|
750
|
25
|
750
|
150
|
900
|
PL-C5
|
1.25
|
450
|
1.00
|
120
|
1.80
|
800
|
25
|
900
|
250
|
1000
|
PL-D5
|
2.5
|
600
|
0.80
|
250
|
1.50
|
900
|
25
|
1100
|
275
|
1120
|
PL-E5
|
4
|
900
|
0.70
|
400
|
1.20
|
980
|
30
|
1250
|
300
|
1250
|
PL-F5
|
6.3
|
1500
|
0.60
|
600
|
0.90
|
1150
|
30
|
1400
|
325
|
1450
|
PL-G5
|
10
|
2400
|
0.50
|
900
|
0.60
|
1300
|
40
|
1600
|
350
|
1600
|
|
|
|
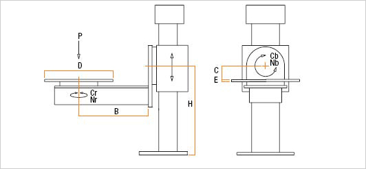
| 技术参数: |
PLE
|
P
t
|
Cb
daN*m
|
Nb
min-1
|
Cr
daN*m
|
Nr
min-1
|
V
m*min-1
|
D
mm
|
E
mm
|
B
mm
|
C
mm
|
H
min mm
|
H
max mm
|
PLE-C5
|
1.25
|
450
|
1.00
|
120
|
1.80
|
2.00
|
800
|
25
|
900
|
250
|
750
|
1800
|
PLE-D5
|
2.5
|
600
|
0.80
|
250
|
1.50
|
2.00
|
900
|
25
|
1100
|
275
|
800
|
1900
|
PLE-E5
|
4
|
900
|
0.70
|
400
|
1.20
|
1.50
|
980
|
30
|
1250
|
300
|
900
|
2000
|
PLE-F5
|
6.3
|
1500
|
0.60
|
600
|
0.90
|
1.50
|
1150
|
30
|
1400
|
325
|
1000
|
2200
|
PLE-G5
|
10
|
2400
|
0.60
|
900
|
0.60
|
1.50
|
1300
|
40
|
1500
|
350
|
1050
|
2300
|
|
选型注意:
由于结构特点,一定要注意工件重心离工作台中心的距离,不能超出回转输出扭矩。
|